海灣GST-LD-8301A輸入/輸出模塊
取代原產品 海灣GST-LD-8301 輸入輸出模塊
尺寸從原來的 86mm×86mm×43mm 變為了 86mm×86mm×41mm

一、海灣GST-LD-8301A輸入輸出模塊特點
此模塊用于連接需要火災報警控制器控制的消防聯動設備,如排煙閥、送風閥、防火閥等,并可接收設備的動作回答信號。
采用32位ARM微處理器實現信號處理,用數字信號與控制器進行通信,工作穩定可靠,對電磁干擾有良好的抑制能力。
輸入、輸出信號隔離檢測,抗干擾能力強。
可采用電子編碼器現場完成編碼設置。
二、海灣GST-LD-8301A輸入輸出模塊參數
(1)工作電壓:
信號總線電壓:總線24V允許范圍:16V~28V
電源總線電壓:DC24V允許范圍:DC20V~DC28V
(2)工作電流:
總線監視電流≤0.42mA總線啟動電流≤1.34mA
電源監視電流≤2.00mA電源啟動電流≤18.00mA
(3)線制:與控制器采用無極性信號二總線連接,與DC24V電源采用無極性電源二總線連接
(4)無源輸出觸點容量:DC24V/2A,正常時觸點阻值為100kΩ,啟動時閉合,適用于12V~48V直流或交流
(5)輸出控制方式:電平、脈沖(繼電器常開觸點輸出,脈沖啟動時繼電器吸合時間為10s)
(6)出廠設置:常開檢線輸入、常開輸出方式
(7)使用環境:
溫度:-10℃~+55℃
相對濕度≤95%,不結露
(8)外殼防護等級:IP30
(9)外形尺寸:86mm×86mm×41mm(帶底殼)
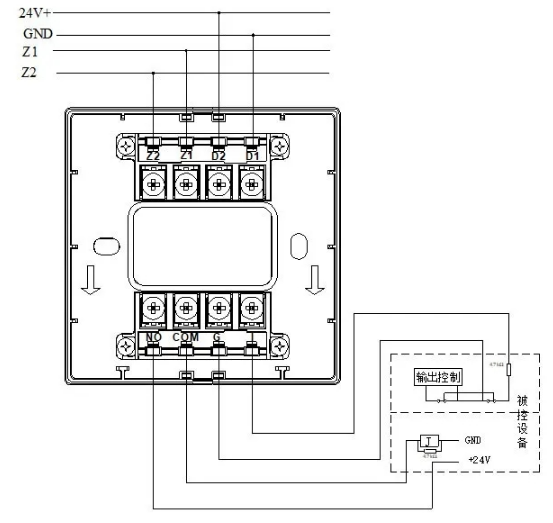
三、海灣GST-LD-8301A輸入輸出模塊接線

其對外端子示意圖如

其中:
Z1、Z2:接火災報警控制器信號二總線,無極性
D1、D2:DC24V電源輸入端子,無極性
I、G:與被控制設備無源常開觸點連接,用于實現設備動作回答確認(也可通過電子編碼器設為常閉輸入或自回答)
COM、NO:無源常開輸出端子(注意:此端子間有微弱檢線電流!)
布線要求:信號總線Z1、Z2采用耐火RVS型雙絞線,截面積≥1.0mm2;電源線D1、D2采用耐火BV線,截面積≥1.5mm2;I、G采用RV線,截面積≥1.0mm2。
應用方法
模塊輸入端如果設置為“常開檢線”狀態輸入,模塊輸入線末端(遠離模塊端)必須并聯一個4.7kΩ的終端電阻;模塊輸入端如果設置為“常閉檢線”狀態輸入模塊輸入線末端(遠離模塊端)必須串聯一個4.7kΩ的終端電阻。
輸出控制電壓可由被控設備提供,若被控設備不能提供,可從模塊DC24V電源側取電。模塊無源輸出觸點控制設備,模塊與被控制設備的接線示意圖如下圖:圖一常開、圖二常閉





智淼君安(江蘇)消防工程技術有限公司http://m.sdqdjs.com/海灣消防公司主營:海灣消防報警系統銷售,消防設備安裝,海灣氣體滅火、海灣電氣火災、消防水噴淋系統施工安裝,售后維修,海灣消防網站:http://m.sdqdjs.com/;海灣消防服務熱線:4006-598-119
本頁關鍵詞:海灣GST-LD-8301A輸入/輸出模塊

蘇公網安備32058102002147號